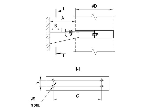
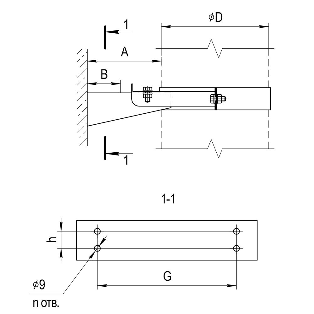
Кронштейн раздвижной d115/200 AISI 430-1

f3d19e416ddb
Доставка
Варианты оплаты
Уже 15 лет для Вас

Очаг — Магазин каминов №1

Лучшие цены

Бесплатный профессиональный замер

Прозрачные сметы

Ясные сроки

Комфорт оплаты

Понимаем любой бюджет

Удобное вам время

Приоритет — безопасность

Примеры работ     #Степан_Знает

Характеристики

Общие

Производитель:
Страна-производитель:
Россия
Гарантия:
1 год
Внутренний диаметр:
115 мм
Марка стали:
Толщина стенки:
1 мм
Материал дымохода:
Нержавеющая сталь
Назначение дымохода:
  • Дымоходы для бани
  • Дымоходы для печей
Тип элемента дымохода:

Особенности

Возможные цвета:
Выбор RAL
Цвет дымохода:
Нержавеющая сталь
Мнение о товаре